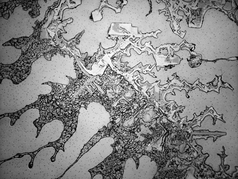
Kunstenares Rose-Lynn Fisher vroeg zich af hoe onze tranen er echt uitzien. Ze besloot om verschillende tranen onder de microscoop te leggen en te fotograferen. Tranen bestaan uit water, proteïnen, hormonen, anti-lichamen en enzymen.
De chemische samenstelling verschilt van emotie tot emotie. Sommige foto's lijken wel luchtfoto's met rivieren, anderen lijken op sneeuwvlokjes. Bekijk de fotoreeks van Rose-Lynn Fisher hieronder:










